Hi everyone,
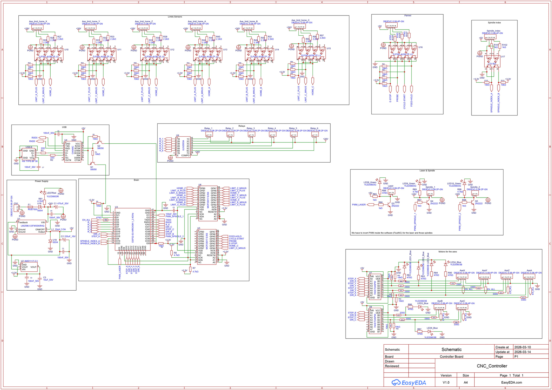
I’m an engineering student designing a 6-axis CNC controller for my milling machine (2.2kW spindle, 24k RPM). This is my first PCB design, and I’ve spent time cleaning up the schematic and layout based on initial feedback.
Project Specs:
-
MCU: ESP32-S3 (FluidNC).
-
I/O: MCP23017 via I2C for extra axes and limit switches.
-
Isolation: TLP281-4 optocouplers for all Step/Dir signals.
-
Power: 24V input with an LM2596 buck converter for 5V/3.3V rails.
Specific Questions:
-
Optocouplers: I initially used 2.2k resistors for 3.3V logic, but I’m worried about speed. I’m considering 470 ohm instead for better switching performance at high RPM. Thoughts?
-
EMF Noise: With a 2.2kW spindle, is my grounding strategy for the ESP32 sufficient?
-
USB Block: I’ve corrected the CH340C VCC connection to the +5V rail. Does the decoupling look okay?
Thanks for your time!



